Виготовлення корпусу для машини Line-traker (2)
Наступний етап роботи - технічний збір. Для цього нам знадобиться :
- Корпус.
- Двигуни 2 шт.
- Колеса 3 шт.
- Плата Arduino.
- Драйвер двигуна.
- Ультразвуковий датчик відстані.
- Серводвигун.
- Кнопка-вимикач.
- Батарейний відсік.
- Акумулятори 2 шт.
- З’єднувальні дроти.
- Гвинтики та гаєчки.
- Універсальний клей.
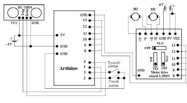
Кріпимо колеса. Кріпимо та поєднуємо всі деталі як показано на схемі:





Комментариев нет:
Отправить комментарий